Home » Circuits
PC-Powered Battery Charger
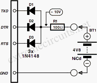
Some workbenches can’t help ending up looking like a rats nest of cables and equipment, so its always an advantage if a piece of mains equipment can be removed from somewhere to free up an extra mains socket. Here we are using the ubiquitous PC as a battery charger. An unused serial interface port can supply enough current to charge (or trickle charge) low-capacity Nickel Cadmium (NiCd) batteries. You could for example, use the batteries in a radio and charge them during use.