Home » Circuits
Voltage Inverter Using Switch-Mode Regulator
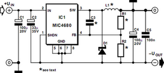
This circuit uses a step-up switch-mode regulator, which is usually used to produce a positive supply, to generate a regulated negative output voltage. The device used here is the MIC4680 from Micrel (www.micrel.com), but the idea would of course work with similar regulators from other manufacturers. Because of coil L1, which performs the voltage conversion by the intermediate storage of energy in the form of a magnetic field, the output is effectively isolated from the input. We can therefore connect the right-hand side of L1 to ground rather than to the positive output without causing a large current to flow.
Then we connect the ground pin of the regulator IC and all the components connected to it as the negative voltage output, isolated from ground. The components on the output side of the regulator are connected as usual: flywheel diode D1, coil L1 and the voltage divider formed by R1 and R2. These last two components set the output voltage, according to a formula given in the data sheet. Example component values for the MIC4680 used here are given in the table. The input voltage should lie within the permitted range for the regulator used, and must in any case be at least as great in magnitude as the desired output voltage (here +5 V or +12 V), so that the step-down regulation technique can work.

It is important to take care when building this circuit to mount the regulator using an insulator, since generally the GND pin of the device is connected to the heatsink tab. Also, the ON/OFF control input cannot be driven using a normal logic signal, since the regulator’s ground reference is the output voltage rather than ground itself. If the ON/OFF function is required, a level shifter or optocoupler must be used.